Мешалка лопастная для изготовления концентрата сока

Нами был получен запрос на разработку и изготовление мешалки для ёмкости,  используемой для изготовления концентрата сока.

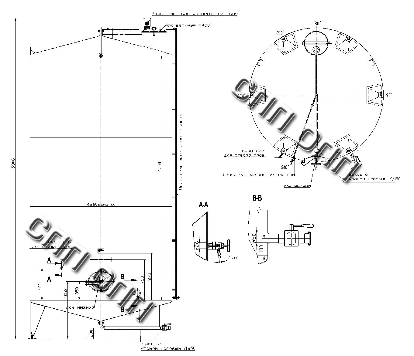
Параметры требуемого изделия

Общие требования

Производство Изготовление сока
Технологическое назначение устройства Интенсификация перемешивания компонентов

Параметры мешалки

Режим работы Большая вязкость перемешиваемой среды (1,345 кг/м3), режим перемешивания — тяжёлый
Температурный режим От -20?С зимой до -20?С летом
Особенности перемешиваемой среды Повышенная кислотность
Установка Вертикальная сверху

Перемешивающие устройства находят применение в различных отраслях промышленности. Пищевая промышленность является одним из видов производства, в котором применение устройств данного назначения распространены наиболее широко. В данной отрасли часто требуется решить задачу получения заданных параметров перемешиваемого вещества, смешивая компоненты с различными характеристиками. При этом ввиду специфики пищевого производства условия работы перемешивающих устройств могут быть самыми тяжелыми: высокая кислотность перемешиваемой среды, большая вязкость, высокая температура либо большой диапазон рабочих температур и т.д. И от соответствия процесса перемешивания заданным требованиям технологического процесса производства зависит качество выпускаемой продукции и, соответственно, её  конкурентоспособность. Поэтому очень важно чтобы перемешивающее устройство соответствовало требуемым характеристикам.

Параметры разработанного оборудования



Запросы

  1. Сергей Тимофеев :

    Здраствуйте нужны параметры и расчет Мешалка лопастная для изготовления концентрата сока для дипломного проекта по электроприводу . Спасибо

  2. «СПП «ОПП» :

    Сергей, добрый день!
    Ваш запрос находится на обработке. В ближайшее время с Вами свяжется наш специалист.

Для получения параметров оборудования отправьте запрос